
PREPARED FOR YOUR DESIGNS
Hi my name is Joubert du Plooy, I live in Gauteng, South - Africa (RSA). This is my profile with all the work i have done for Companies and End Users for the last 2 Years. As a Soul Proprietor I do take care of my clients and give excellent feedback.
What I Do

The service I provide for you are all driven in the Mechanical, Civil, Automation, Industrial & Structural fields. ADCAD Engineering is name for the platform where I can show you my Profile and Services.
ADCAD Engineering provide the following Services:
• Floor Plans
• 2D Drawings and 3D-Models as well as Real View Graphics
• Site Visits
• Fabrication Drawings
Projects Involved
1. Platform Measured and Designed for AkzoNobel through CrossEPC. Structure was designed to transfer paint from scissor lifts to bag compactors and suitable for forklifts.

2. Sheet Metal & Weldment Tutorials for Solidworks Tutorials. Ongoing projects for a website for beginners to learn about SolidWorks and its features.

3. Beginner & Intermediate Tutorials for Solidworks Tutorials. Ongoing projects for a website for beginners to learn about SolidWorks and its features.

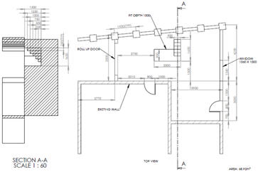
4. Floor Plan for a small house with minimum detail and standard measurements. One time project, client needed a perspective how the floor plan of the house might look like.

5. Extended garage plan for an existing house. One time project for a client who wanted to extend the garage for more space and for vehicle repairs.

6. Gantry design for Universal Paper & Plastic through CrossEPC and Fluidline. One of thew gantries designed to carry stainless steel pipes for helping to manufacture paper and plastic.

Contact Me
Joubert du Plooy
Soul Proprietor
074 430 6426